高職院校機電一體化專業普遍開設維修電工課程,機床控制電路的故障檢測與維修是課程的內容之一。作為實訓課,其中硬件仿真設備是必不可少的,基于實訓場地的限制及教學成本的控制,不可能大量購置仿真設備,一個可行的方法就是開發仿真軟件,配合少量的硬件仿真設備進行教學,這樣對教學至少有兩個方面的好處,首先是理論方面,使用仿真軟件可以快速提高學生的理論水平,發揮理論對實踐的指導作用,另一方面是借助于電腦,可以達到人手一套設備的效果,提高了學習效率,實現快速掌握操作技能的目的,同時教學成本也將大幅降低。
1 機床控制電路仿真設計方案
方案一:使用專業的仿真軟件按照機床控制電路原理圖進行電路繪制與仿真,導出仿真數據文件,在自行開發的軟件中建立圖形界面,按數據文件進行輸出響應。
方案二:建立元件庫,裝載電路所需的元件,調整布局,按照機床電路原理圖進行連線,建立自己的算法實現輸入輸出的控制。
方案三:僅針對一個典型的電氣控制電路進行程序設計,設計固定的圖形界面,建立自己的邏輯算法實現仿真。
比較三個方案可知,方案一需要專業的仿真軟件,目前市場上的仿真軟件理論分析很強大,但缺乏進行機床電路這樣比較復雜的系統仿真軟件,并且大多數沒有數據導出功能或與外部程序進行數據交換的接口,因此設計難度較大。方案二及方案三需要建立自己的算法,對于機床控制電路而言,可以使用基于邏輯判斷的方法編程,算法并不太復雜,但方案二需要自己搭建電路,需要對接線進行邏輯關系判斷,實現起來仍然有較大的難度。作為一個典型的特定電路,則無需搭建電路,這樣在編程過程中就會簡單得多,因此本設計采用方案三。
2 圖形界面設計
本設計軟件仿真分兩大部分:
2.1 原理圖仿真界面
界面以位圖的形式呈現一幅加工中心電路原理圖。為了編程的方便,原理圖的位置可以改變,但不進行縮放,否則會帶來較大的畫面失真,并且各節點位置相對坐標變動給編程帶來困難。在原理圖界面下仿真可以提高學生對電路原理的理解水平。
2.2 仿3D圖像仿真界面
這里的仿 3D 圖像是指元件的符號以實物圖形為基礎,接近實際的元件外形的圖像,仿3D 圖像是二維平面圖像,為了得到較真實的效果,可以使用 3Dmax 軟件繪制元件的三維模型,并進行圖形渲染,根據視角原理,抓取不同角度的圖片,在圖片編輯軟件下繪制完整的實物圖像供軟件編程時使用。因為有些元件的引腳在二維投影上可能會出現重疊現象,如交流接觸器的線圈、主觸頭、輔助觸頭等在平面投影上會出現引腳重疊的情況,因此要進行必要的角度變換處理。在仿 3D 界面中,僅在相應位置上顯示各元件的圖形,不必畫出連線。加工中心控制電路的仿 D 實物界面如圖 1 所示。
仿 3D 仿真功能可以使學生在一個近似實物的場景下操作。
3 軟件設計
3.1 系統功能設計
3.1.1原理圖界面仿真功能
在原理圖仿真界面中,顯示一幅電氣原理圖,原理圖的位置可以通過鼠標進行平移操作,在仿真運行開始后,通過對原理圖的元件進行操作,如鼠標點擊開關、按鈕等元件的符號,實現元件狀態的改變,通過邏輯判斷,使電機作出與之對應的動作,以動畫的形式模擬正轉、反轉、停止等狀態。圖 2 是交流接觸器主觸頭動作前后的變化圖及電機運行圖。
3.1.2仿 3D 圖像界面仿真功能
仿 3D 圖像界面功能與原理圖界面仿真功能類似,只是顯示的圖形不同,另外需要一個操作面板。開關、按鈕等操作在面板上進行。圖 1 的仿 3D 圖形界面中的操作面板是處于背面狀態,還需設計一個與背面元件位置一致的正面圖形界面,控制系統的各種狀態由正面的指示燈反映。對于非指令元件,如交流接觸器的線圈吸合狀態,可以用如圖 3 的方式表示,兩圖分別表示了線圈釋放和吸合兩種狀態。

圖 1:仿 3D 實物圖形界面

圖 2:元件動作變化圖

圖 3:接觸器吸合動作

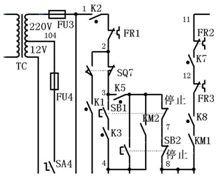
圖 4:故障點設置
3.1.3故障設置功能
一般的硬件仿真設備的故障設置方法是使用串接開關模擬連線的通斷。本設計也采取類似的方法,故障設置點與硬件仿真設備一致, 增加故障隨機設置功能。圖 4 是顯示了部分故障分布點。
3.2 系統功能的具體實現方案
3.2.1圖形顯示
無論是原理圖仿真還是仿 3D 圖像仿真, 界面均為位圖。位圖以資源的形式裝入內存中, 使用 LodgBitmap 函數裝入位圖 ID,顯示時使用 CDC 的 BitBlt 函數,在窗口顯示,BitBlt 函數的形式為:
CDC:BitBlt(int x,int y,int nWidth,int nHeight,CDC*pSrcDC,int xSrc,int ySrc,DWORD dwROP);x 和 y 是位圖目的地坐 標。nWidth 和wHeight 是位圖的寬和高度。pSrcDC 是設備上下文的指針。xSrc 和 ySrc 是位圖上需要復制的部分的坐標,更改這兩個參數可以顯示部分位圖。
對于動作元件,在仿真時其狀態改變后, 使用另一幅狀態的位圖在原位置進行覆蓋。
3.2.2電機運行狀態的顯示
電機的運行狀態以風葉旋轉動畫來表示。在電機符號所在位置上動態畫出風葉形狀,啟動定時器,在定時器函數中通過改變旋轉角度的方法實現。
電機運行過程分為啟動、平穩運行、制動三個過程,啟動階段電機旋轉速度是逐漸加快的,達到額定轉速后,進入平穩運行狀態, 在停止階段轉速是一個減速過程,為了簡化這個過程的仿真,電機的旋轉速度變化以文字提示的形式出現。
3.2.3設備運行狀態判斷
設備運行狀態是基于邏輯關系。對于按鈕、開關等元件,判斷方法是鼠標左鍵是否在元件位置上按下,如果按下了,則用新的動作圖形覆蓋。
對于交流接觸器觸點動作,要分為無故障和有故障兩種情況進行判斷。無故障按正常操作關系進行吸合和釋放動作,有故障時按故障設置表(見表 1)結合原理圖進行動作判斷。
電機的運行狀態也是按表 1 的關系進行判斷。
為了降低編程難度,本設計每次只設置一個故障。表 1 僅列出了前八個故障,第一列為故障開關編號。
以 K1 故障為例說明仿真設備運行狀態判斷的步驟:
(1)選擇“仿真”菜單切換到仿真狀態。
(2)判斷總開關、啟動按鈕是否被按下。
(3)判斷主軸正反轉開關的位置。
(4)判斷 K1 是否設置為斷開狀態。
(5)根據 K1 狀態主軸電機作出正轉、反轉、停止的響應。若點擊變速沖動按鈕,
K1 無故障時,電機的風葉按照“轉- 停- 轉- 停” 的方式運行,否則電機停轉。運行狀態判斷流程如圖 5 所示。
3 軟件功能測試
分別在無故障狀態和有故障狀態下進行性能測試。
(1)無故障狀態性能測試:按照加工中心的操作步驟,測試電機的運行狀態,結果符合設計要求。
(2)故障狀態下的性能測試:分別進行故障手動設置和隨機設置。手動故障設置是在故障分布圖上用鼠標左鍵雙擊圖上的故障設置點,在彈出的對話框中設置為開路故障,隨機故障設置是通過菜單進行故障點的隨機設置。仿真結果符合表 1 的故障現象描述。
4 結束語
教學仿真軟件在教學中的作用有別于傳統的課件,前者是互動式的,后者是被動式的,但軟件的編寫難度也較大,本文提供了一個制作仿真軟件的快捷方法與思路。如圖 5 所示。
本設計表明,使用邏輯關系對非數值運算的仿真軟件進行開發,可以使編程過程變得簡單,至于其它要進行復雜的數值運算的軟件設計,本方法就不適用。


圖 5:運行狀態判斷流程
2024-11
本文以組合式六角亭模型為實例,分析工藝難點與加工可行性,指出該模型的加工難點是模型形狀不規則和整體剛性差,并通過設計新的工藝方案解決加工難點,完成了模型整體的加工。新的加工工藝有助于提高加工效率和精度,為五軸數控加工提供了一個典型案例,對于五軸加工中心數控加工也具有指導作用和重要… [了解更多]
2024-11
宇匠數控 備注:為保證文章的完整度,本文核心內容由PDF格式顯示,如未有顯示請刷新或轉換瀏覽器嘗試,手機瀏覽可能無法正常使用!本文摘要:通過對混聯五軸加工中心自適應深度學習控制方法的 研 究,可 知 此 方 法 的 創 新 之 處 在 于:1)建 立 了 機 床 的 運 動 學 … [了解更多]
2024-11
在機測量技術由于其成本低、檢測效率高、無需二次裝夾等優勢被廣泛用于零件加工測量當中,使得五軸加工中心和五軸鉆攻中心,同時又兼具測量功能。在機測量系統的構成如圖1所示,硬件部分主要是由高精度探頭、信號接收器、機床整個本體,軟件部分由機床控制系統、測量軟件等組成[8]。待零件加工完成… [了解更多]
2024-11
?加工精度是影響機床性能和產品質量的主要難題,也是制約國家精密制造能力的重要因素。本文以五軸加工中心為對象,針對提升機床精度進行了研究。并且隨著科技的發展,精密的儀器和零件在生產實踐中占據的分量逐漸增加,在數控機床這種精密機器精度不斷提高的同時,必須控制內外界環境的隨機影響因素在… [了解更多]